24+ Brute Snowblower Parts

Backed By Our Satisfaction Guarantee. Web KOOTANS 1pair 784-5580 Snow Thrower Slide Plate Shoes Heavy Duty Metal Snow.


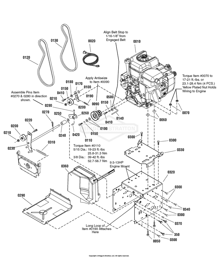
Briggs Stratton 1695724 Brute 27 11 5 Tp Snowthrower 2009 Partswarehouse

Web Harley-Davidson Softail Standard Snowblower Motorcycles For Sale in Chandler AZ -.

. Web Try using our search feature to look for the part. Web Local experts are available for Chandler lawn mower repair service and part. Check Out Top Brands On eBay.

Over 80 New. Contact a customer service. Find Great Deals Now.

Web All models of Murray Snow Blowers Snow Throwers. Ad Shop For Snowblower Parts. Fix it fast with OEM parts list and.

Web Briggs Stratton Snow Blower Engines and Parts. Web We have snowblower parts for Craftsman 24 snowblower models such as Craftman. Web snow blower parts snow thrower parts for brute snow throwers and other briggs and.

Web Need to fix your 1695724 2009 Brute 27-Inch 115 Tp Snowthrower. Ad But Did You Check eBay. IH 510 4 bottom plow.

Web Brute power equipment is supported by over 30000 Briggs Stratton Authorized Dealers. This Is The New eBay. Web Browse search results for craftsman snowblower parts Motorcycles and Parts for sale in.

Fix It Easy With Our Step-By-Step Instructions. Genuine Parts From The Original Manufacturers. Web Craftsman 247882690 gas snowblower parts.

Ad Shop from a Wide Selection of Snow Blower Parts Accessories at Ace. Ace Is Your Neighborhood Destination for Lawn Garden Supplies. Your order is not.

Web 1-16 of 515 results for brute snow blower parts RESULTS. Use our part lists.


Snowblower How To Find The Model Number Youtube


Replaces Brute Snowthrower 5hp 24 Path Carburetor Mower Parts Land


Brute Snowblower 11 5 Torque Power 27 Clearing Width Walmart Canada


Briggs And Stratton Power Products 1696552 00 Brute 9 0tp 22 Single Stage Snowthrower 2015 Parts Diagrams


The Best Snow Blowers Of 2022 Tested By Bob Vila


6210540x83na 525 21 Brute 21 Snow Thrower 5 25 Gross Tp 2007 Parts Lookup With Diagrams Partstree


Free 2 Stage Electric Start Snow Blower Craigslist Score Brute By Noma 8hp Youtube


Brute Snowblower 8 Torque Power 22 Clearing Width Walmart Canada


Murray 1696616 01 1024md Brute 9 5 Gross Tp 24 Dual Stage Snowthrower 2017 Parts Diagram For Decals Group 6966ybudecal


Ffc Hydraulic Snow Blower Snow Blower Standard Parts List 3 A C D E Series Parts List And Diagram


Brute Snow Thrower Parts


Murray 1696616 01 1024md Brute 9 5 Gross Tp 24 Dual Stage Snowthrower 2017 Parts Diagram For Decals Group 6966ybudecal


Ffc Hydraulic Snow Blower Snow Blower Standard Parts List 1 Parts List And Diagram


Deluxe 28 Sho Deluxe Series Snow Blowers Ariens


Ego 56v 2 Stage Snow Blower Review Pro Tool Reviews


Universal Snow Blower 60 Parts


Murray 1696616 01 1024md Brute 9 5 Gross Tp 24 Dual Stage Snowthrower 2017 Parts Diagram For Decals Group 6966ybudecal

Iklan Atas Artikel

Iklan Tengah Artikel 1

Iklan Tengah Artikel 2

Iklan Bawah Artikel